EN DIRECT en ligne connexion / inscription
Connexion

Surnom/Pseudo
Mot de Passe :

[ Vous avez perdu votre mot de pass ? | Devenir membre ]

×

RMA Gigabyte X670E Aorus Master [RETEX]

Aller à la page : 12345678910  
CowcotLand topic RSS feed Surveiller les réponses de ce sujet
Mick996 @
Métayer
Métayer

4466pts

Inscrit le: 12 avril 2018
Messages: 3293
Localisation: Brest
Navigateur : Firefox

Hors ligne
Message Posté le: 23 juillet 2025 à 12:09  Lien permanent
Répondre en citant
Avé les fermiers! Je viens partager un retour d'expérience avec le SAV Gigabyte, encore en cours.

Voila le pitch : novembre 2022 : craquage pour une X670E Aorus Master et un 7600X chez Caseking.de, tout se passe bien, la config torche.
Un peu plus tard je me choppe un 7800X3D et toujours content, le combo CM/CPU roule sans aucun soucis, hormis quelque très rare déconnexion internet et download capé à 100Mps, cold boot relativement fréquent, rien de méchant.
Début 2025, après le lancement des RTX 5000 et déçu de la proposition d'Nvidia, je décide de mettre des sous pour un troisième SSD Nvme Gen.4 de 4To pour pouvoir enfin installer à ma guise mes jeux et simu sans devoir faire de choix (je commence souvent les jeux pour ne pas les finir… et les reprendre longtemps après).
Du coup je garde mon SSD de 1To pour le système, je met le nouveau de 4To sur le second slot, et tant qu'a faire je met celui de 512Go sur le troisième slot, qui me servira de stockage temporaire pour musique ou vidéo ou je ne sais quoi.

On a donc :
- un Samsung 980 Pro Gen4 1To sur le slot 1 (M2A_CPU)
- un WD SN850X Gen4 4To sur le slot 2 (M2B_CPU)
- un Samsung 970 Pro Gen3 512Go sur le slot 3 (M2C_SB)

Je décide de faire une fresh install, formatage complet la totale. Quelques galère à installer windows, BSOD redémarrage, je dois m'y reprendre plusieurs fois mais ça le fait.
J'arrive sur windows, un peu de galère à initialiser le nouveau disque mais impeccable, je réinstalle ma bibliothèque de jeu et je download comme un goret sur mon disque 2.
Puis je fais un transfert de fichiers de mon disque 2 vers le 3, et la pouf : message d'erreur, impossible de transférer, je ferme la fenêtre, j'ouvre "Ce PC" et le troisième disque n'apparait plus.
Je fais un redémarrage, écran noir, debug led qui correspond à rien, hard reboot, j'arrive au BIOS, j'en profite pour checker si le SSD est bien reconnu, il est bien la, ça redémarre, multiple BSOD.. écran noir.. après plusieurs essais ça boot, j'arrive sur le bureau, ça semble être OK.
Je retente un transfert de fichier et BIM même comportement. Je remarque également que je ne suis plus connecté à internet, et que tous les périph connectés à mon HUB USB (pad Xbox, périph de vol, caméra trackIR) sont coupés, tout comme mon Quest 3, mon casque audio et mes speakers reliés également par USB. Mon clavier et ma souris fonctionnent par contre.

Pensée intrusive qui me parcoure :

Que je contrôle heureusement, et puis je n'ai pas de fusil à pompe à la maison.

BON! Je commence à me dire que mon nouveau SSD est à moitié HS, pourtant il est toujours reconnu, pas le celui sur le troisième slot nvme. Du coup j'ouvre le PC et retire le SSD sur le troisième slot.
Et la tout redevient normal et stable.

Je commence à douter de la CM, sachant que j'ai déjà eu ce genre de comportement, même avec juste deux SSD, le port LAN qui se déconnectait de manière totalement random, mais de façon extrêmement rare cependant, et toujours par salve (comprendre plusieurs fois d'affilées après multiple redémarrage mais redevient okay à un moment et pour longtemps).
Je retente d'installer le troisième SSD, ça marche un peu mais le soucis revient systématiquement. Je comprends assez vite en lisant le manuel que les deux derniers slots Nvme sont partagés entre les deux chipset et pas le CPU, pareil pour la majorité des ports USB sur la plaque I/O. D'ailleurs, mon clavier et ma souris, toujours fonctionnels lors des problèmes, sont sur les ports I/O du haut, partagé avec le CPU..



Après quelques tours sur reddit, je vois que je suis pas le seul, que plusieurs même modèle de CM en rev 1.0 rencontre le soucis. Ça semble peu répandu, mais je me dis que les enthousiastes qui blindent leur config de Nvme doivent pas être si nombreux?
Exemple avec cet utilisateur qui donne des liens vers d'autres cas.



Je sais désormais que je vais devoir contacter le support Gigabyte, en ayant un peu de temps n'étant plus dans la fenêtre des 2ans garantie fournisseur, mais toujours dans les 3ans fabricant.
J'ouvre donc un ticket chez Gigabyte, en décrivant le problème avec quelques screen des erreurs que j'ai eu. J'ai une réponse dans les 4 jours, m'indiquant quelques tests à faire, je met en image leur réponse, plutôt claire et structurée.



A savoir qu'après leur première réponse, je suis pas spécialement motivé à tout tester en large en travers, démonter/remonter, d'autant que c'est stable avec deux SSD. Malgré tout, une CM à quasi 600 balles au lancement, c'est évidemment pas normal. Je procrastine un peu, je me dis que j'aurai le temps aux prochaines vacances.. puis je me nique le dos en salle de sport et je laisse donc ça de coté plusieurs mois.
Juillet arrive et je trouve le temps et l'envie de m'y coller sérieusement, je les recontacte après avoir fait les tests demandés. Il reviennent rapidement vers moi et me donne une nouvelle série de test à faire.



Je teste chaque étape, et la seule façon d'avoir un système stable avec les 3 SSD est de couper le GPU, passer par l'IGPU tout en désactivant le wifi/Bluetooth et la puce audio Realtek dans le BIOS. J'ai pu à ce moment là faire des transfert de fichiers entre mes 3 disques sans soucis. Mais evidemment le PC devient inutile.
J'ai tenté également de repasser par le GPU, en laissant coupé le wifi/BT mais en remettant l'audio, puis en jouant une petite partie de Lies Of P, BIM internet se coupe, plus de pad, plus de son.
Tout cela semble donc confirmer ce que le support appelle un "chipset overload". Après un dernier retour avec le support, on me demande de contacter mon fournisseur pour faire marcher la garantie, je leur dis que Caseking ne fera rien car j'ai dépassé les 2ans, ils me renvoient vers la team RMA France, qui elle me renvoie vers la team RMA Allemagne, car j'ai acheté le produit chez un fournisseur allemand.

Voila donc où j'en suis actuellement : j'ai rempli un formulaire excel, que j'ai renvoyé à Gigabyte accompagné de la facture d'achat, je devrais recevoir un numéro de RMA et je pourrais dès lors envoyer la CM en Allemagne (à mes frais).
Jusque là, plutôt bonne impression du SAV, ils ne m'ont pas baladé, les réponses ont été rapides (c'est plutôt moi pour le coup qui ai été mou 😅) mais le pire reste à venir! Il faut que l'envoi se passe bien, qu'ils reproduisent correctement la panne, et qu'il me trouve une solution.
La fin que j'espère : recevoir une CM de révision plus récente et fonctionnelle, c'est forcément un défaut dont il sont parfaitement au courant, mais ça doit rester sous le radar car peu d'utilisateurs utilisent 3 ou 4 slot Nvme sur leur CM.
Je pourrai très bien vivre avec 2 SSD, mais au prix où j'ai payé la mobo c'est hors de question, de plus j'ai eu des comportements étranges concernant la connexion ethernet (bridage 100mps ou coupure nette) dont je ne serais pas étonné que ce soit lié, bien que beaucoup plus rare.

La suite au prochain épisode 😏



"Because I was inverted"

Dernière édition par Mick996 le 23 juillet 2025 à 18:23; édité 2 fois
Voir le profil de l'utilisateur Envoyer un message privé Visiter le site web du posteur » Album Photos
LUTUC @
Cultivateur
Cultivateur

1064pts

Inscrit le: 01 octobre 2018
Messages: 786

Navigateur : n.c.

En ligne
Message Posté le: 23 juillet 2025 à 14:39  Lien permanent
Répondre en citant
Bien le bonjour,

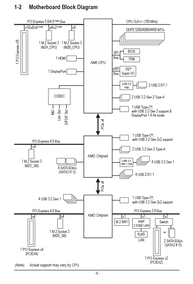
J'ai une question de base, tu mets les SSD dans les ports 1,2 et 3 mais on ne sait pas à quoi cela correspond car sur le schéma du dessous, ta CM supporte 2 M2 PCIE5 (connectés au CPU), 1 M2 PCIE4 connecté au premier chipset Promontory21 et 1 M2 PCIE4 connecté au second chipset Promontory21.

J'ai tout lu et j'arriverais à la même conclusion: chipset_overload, mais je me demande si en théorie (et pratique), c'est correct ? Je m'explique:

CPU <--> 64Gb/s (4x PCIE4.0 lines) <--> Chipset 1

et que:

Chipset 1 <--> 64Gb/s (4x PCIE4.0 lines) <--> Chipset 2

donc:

CPU <--> 64Gb/s (4x PCIE4.0 lines) <--> Chipset 1 + Chipset 2

Ca veut dire que dans le même toyo, faut faire rentrer 2 M2 PCIE4.0x4 (qui sature déjà donc le lien avec le CPU) + LAN 2.5GBE (PCIE4.0x1.25) + WIFI/BLUETOOTH + SATA + les nombreux ports USB ?

Je peux me tromper, mais avec la preuve que tu as mise en disant qu'en désactivant certaines des fonctionnalités de la carte qui bouffe de la bande passante (WIFI/BLUETOOTH par exemple), j'ai bien peur que cela ne soit le cas (même si mes calculs ne sont pas bons).

C'est du moins ce qu'ai compris en lisant cet article (mais je ne sais peut-être pas lire, ce qui expliquerait beaucoup de choses) --> https://news.ycombinator.com/item?id=31472716

Si ce que j'ai écris est à peu près correct, on nous vendrait des cartes mères avec pléthore d'équipements théoriques mais en pratique, il y aurait si peu de BP à leur accorder que ce ne serait que purs gadgets ?

Ca me conforte un peu dans mon choix de carte milieu de gamme sans fioriture et juste le nécessaire syndical 😋
Voir le profil de l'utilisateur Envoyer un message privé » Album Photos
Mick996 @
Métayer
Métayer

4466pts

Inscrit le: 12 avril 2018
Messages: 3293
Localisation: Brest
Navigateur : Firefox

Hors ligne
Message Posté le: 23 juillet 2025 à 18:19  Lien permanent
Répondre en citant
LUTUC a écrit:

C'est du moins ce qu'ai compris en lisant cet article (mais je ne sais peut-être pas lire, ce qui expliquerait beaucoup de choses) --> https://news.ycombinator.com/item?id=31472716

Si ce que j'ai écris est à peu près correct, on nous vendrait des cartes mères avec pléthore d'équipements théoriques mais en pratique, il y aurait si peu de BP à leur accorder que ce ne serait que purs gadgets ?


Merci pour le lien, c'est super interessant, mais je touche les limites de ma compréhension dans le domaine 😁 j'y avais pas réfléchi sous cet angle la, mais clairement j'imagine qu'il doit certainement y avoir une forme de congestion qui doit limiter les perfs à un moment. Je sais pas comment c'est géré entre les deux chipset mais j'ose espérer tout de même que des power users peuvent faire tout tourner tout ça sans que ça flanche, même bridé, parce que sinon en effet ça fait cher le gadget🤔
Sachant que j'ai pas un GPU Gen.5 ni un M2 en Gen.5 sur le premier slot, je me demande ce que ça donnerai..
Mais comme dit dans ton article, ce multi-chipset peut devenir une faiblesse et creer des pannes, je pense que je suis en plein dedans, et Gigabyte est forcément au courant.. je sais qu'il existe une rev 1.1 de cette carte, mais je ne connais pas les différences, il me semble avoir lu quelque part que la puce wifi était pas la même (Intel Ax210 vers une autre, je ne me souviens plus).

Autrement pour ma configuration, désolé si c'etait pas super clair ^^ j'ai édité pour rajouter des détails sur les slots.
Pour ma config, quand je parle de disque 1, je veux dire le disque dans le slot 1, le premier en haut (M2A_CPU), le disque 2 dans celui du dessous (M2B_CPU) et le dernier dans le 3 géré par le premier chipset encore plus bas, qui lui semble déclencher les soucis (M2C_SB). Le slot 4 est innocupé, mais j'ai essayé d'installer mon troisième M.2 dans le quatrième slot et les problème étaient les mêmes.

Je met d'autre pages du manuel si jamais, peut être que je suis le seul à me comprendre mdr




Mais c'est une usine à gaz, après au lancement AM5 il n'y avait malheureusement pas plus de choix que ça, je trouve qu'il y de meilleures propositions et surtout des prix moins déconnants actuellement en X870E et même en B850. Il vaut clairement mieux rester dans le milieu de gamme.

En tout cas, j'ai reçu mon numéro de RMA donc j'ai plus qu'à envoyer la CM et croiser les doigts.



"Because I was inverted"
Voir le profil de l'utilisateur Envoyer un message privé Visiter le site web du posteur » Album Photos
NeoAxle @
Cultivateur
Cultivateur

1141pts

Inscrit le: 17 mars 2023
Messages: 425

Navigateur : Firefox

Hors ligne
Message Posté le: 23 juillet 2025 à 21:29  Lien permanent
Répondre en citant
@Mick996 Je déteste être porteur de mauvaises nouvelles mais malheureusement la X670e Aorus Master n'est dispo qu'en REV 1.0 (pas vu d'autres modèles dispos depuis l'achat de la mienne, l'année dernière).

Mince alors, vraiment spécial ton souci là.

J'ai 4 SSD connectés en permanence (1 990 Evo Plus et 3 970 Evo Plus) je m'apprêtais justement à les remplacer par des 980 Pro en espérant que je ne rencontre pas le même problème que toi....

Moi ce que j'ai eu comme souci c'était un problème de mémoire (j'avais pourtant acheté des barrettes certifiées AMD Expo de chez G.Skill à 6000 Mt/s)...

Mon problème était le suivant :

Aléatoirement mais quasi systématiquement lors d'un redémarrage depuis Windows, le BIOS perdait mon profil Expo (Bonjour les 15 mins d'entrainement de mémoire me faisant perdre un temps fou) et mais uniquement lors d'un redémarrage. Si je faisais un simple shutdown depuis Windows puis un démarrage classique aucuns problèmes.

J'avais tenté un peu de tout puis envisagé le RMA auprès de Gigabyte, au final cela s'est résolu tout seul via une màj du BIOS et mon système est finalement devenu stable...

C'est vrai que certains incidents sont quand même invraisemblable même pour les plus expérimentés d'entre nous.

En tout courage à toi, je me tiendrais informé du suivi de ton problème juste au cas où. 😉


AMD Ryzen 7 7800X3D Nvidia RTX 4070 Ti Super Aorus Master G.Skill Trident Z5 Neo RGB Black 6000 MT/s 2x32 Gb X670E Aorus Master Be Quiet Dark power 13 850W Titanium Corsair Icue Link H170i LCD 420 Mm AOC Agon AG325QZN G-Sync-Compatible HDR 400 240 Hz
Voir le profil de l'utilisateur Envoyer un message privé
Mick996 @
Métayer
Métayer

4466pts

Inscrit le: 12 avril 2018
Messages: 3293
Localisation: Brest
Navigateur : Firefox

Hors ligne
Message Posté le: 24 juillet 2025 à 06:44  Lien permanent
Répondre en citant
NeoAxle a écrit:
Je déteste être porteur de mauvaises nouvelles mais malheureusement la X670e Aorus Master n'est dispo qu'en REV 1.0 (pas vu d'autres modèles dispos depuis l'achat de la mienne, l'année dernière).

En tout courage à toi, je me tiendrais informé du suivi de ton problème juste au cas où. 😉


Merci! C'est rassurant si la tienne fonctionne correctement, mon numero de série commence par 22 34 (annee semaine) elle a été fabriqué en fin aout 2022, je sais pas si ça a une importance mais c'est un détail intéressant, même si je sais pas quand on été fabriquée les toutes premières.
Du coup si je comprend bien tu as 1 SSD gen4 et 3 gen3? Je sais pas quel impact ça aura de passer en full gen4 mais il est possible que mon cas soit rare.

Tu es sur pour la revision? J'ai croisé a plusieurs reprises des post de personnes ayant des 1.1, comme sur ce fil overclock.net qui est interessant à parcourir d'ailleurs.
On peut voir que les maj BIOS semblent en effet avoir un impact important sur la stabilité de la RAM 😅
Perso jamais eu de soucis a faire tourner l'EXPO c'est déjà ça.

J'ai trouvé ce test aussi où le testeur écrit:
"GIGABYTE a fait deux révisions de cette carte mère. La version 1.0 est équipé avec une puce Intel AX210, tandis que la révision 1.1 du PCB est équipé par une puce AMD RZ616, qui se trouve être une puce Mediatek MT7922A22M rebadgée."
Mais bon je sais pas ce que ça vaut, d'autant que sur le fil cité plus haut, ils parlent de la puce LAN qui ne serait pas la même.
Ceci dit, sur la page de telechargement des drivers, on peut voir des drivers Intel et AMD pour le wifi/bluetooth, ce qui confirmerait ce que dit le testeur.

Je sais pas du tout ce que va donner ce RMA 🤔 vu la complexité de la carte, ça peut etre n'importe quoi, ce que je redoute le plus c'est qu'ils me disent "chez nous ça marche impeccable merci au revoir" 🫠



"Because I was inverted"
Voir le profil de l'utilisateur Envoyer un message privé Visiter le site web du posteur » Album Photos
kalima @
Saisonnier
Saisonnier

51pts

Inscrit le: 23 juillet 2024
Messages: 5
Localisation: Hainaut (Belgique)
Navigateur : Edge

Hors ligne
Message Posté le: 24 juillet 2025 à 08:19  Lien permanent
Répondre en citant
J'ai la même carte mère avec 4 SSD NVME 4.0 et aucun soucis MAIS....

J'utilise pas le wifi/bluetooh donc c'est disable dans le bios
J'utilise un DAC Audio USB pour la qualité du son donc la realtek est disable dans le bios
J'utilise pas le igpu , donc disable dans le bios.

EDIT : ton PCH est à quelle température si le soucis vient seulement après quelques minutes ?

Car le gros défaut de cette gigabyte c'est les pad thermique des deux puces chipset (PCH) , j'ai remarqué car les pad avait fondu après 1 an et la carte mère ne démarrais même plus 😆.

J'ai remplacé cela par du PTM7950 et zéro soucis depuis.

EDIT 2 : ajout des photos de l'époque , mes pad d'origines et le remplacement par PTM7950.
D'origine après 1 an.
'Image 21195'

PTM7950

'Image 21196'
Voir le profil de l'utilisateur Envoyer un message privé
AubracBull @
Métayer
Métayer

3828pts

Inscrit le: 21 janvier 2014
Messages: 1015
Localisation: Dans tes 6 heures avec un AIM-54C Phoenix verrouillé sur toi.
Navigateur : Firefox

Hors ligne
Message Posté le: 24 juillet 2025 à 08:29  Lien permanent
Répondre en citant
C'est dingue, on claque de la thune dans du matos de plus en plus cher et de moins en moins fiable.

C'est assez atypique ton problème, et j'ai peur d'avoir le même car avec DCS, les SSD doivent devenir de plus en plus gros, surtout si je dois en consacrer un à Falcon BMS ^^

C'est comme moi et certains jeux qui laggent freeze sans aucune raison...


Bien que je sois Taureau, je préfère de loin avoir un cheval cabré sur le capot de ma voiture.
Voir le profil de l'utilisateur Envoyer un message privé » Album Photos
Mick996 @
Métayer
Métayer

4466pts

Inscrit le: 12 avril 2018
Messages: 3293
Localisation: Brest
Navigateur : Firefox

Hors ligne
Message Posté le: 24 juillet 2025 à 09:03  Lien permanent
Répondre en citant
kalima a écrit:
J'ai la même carte mère avec 4 SSD NVME 4.0 et aucun soucis
EDIT : ton PCH est à quelle température si le soucis vient seulement après quelques minutes ?

Car le gros défaut de cette gigabyte c'est les pad thermique des deux puces chipset (PCH) , j'ai remarqué car les pad avait fondu après 1 an et la carte mère ne démarrais même plus 😆.


Merci pour ton retour, ah tiens pas bête, à un aucun moment j'ai pensé à checker les températures, même le support me l'a pas demandé. La carte mere est demontée et dans un carton hélas, mais je vais garder ça en mémoire car ce sera certainement utile pour quand elle me reviendra.

Sinon rien à voir mais ton pseudo m'a fait penser à cette scène 🤣


@AubracBull ouais c'est frustrant, surtout qu'à part ça j'avais pas vraiment de problème. Enfin bon c'est les mystères du hardware 🤓

En attendant je vais piquer le pc de ma femme et retrouver ma bonne vieille X299 avec un 7800X pas 3D et une 3060Ti 🥲



"Because I was inverted"
Voir le profil de l'utilisateur Envoyer un message privé Visiter le site web du posteur » Album Photos
SebastienD @
Cowcot Team
Cowcot Team

1126pts

Inscrit le: 04 août 2015
Messages: 355

Navigateur : n.c.

Hors ligne
Message Posté le: 24 juillet 2025 à 09:37  Lien permanent
Répondre en citant
Intéressant, je vais suivre tout ça avec attention.

@Mick996, n'hésite pas a nous détailler ta relation avec le SAV Gigabyte.

@Kalima, quelle est la date d'achat de ta carte ?
Voir le profil de l'utilisateur Envoyer un message privé
Lebaveux @
Cultivateur
Cultivateur

1358pts

Inscrit le: 14 mars 2021
Messages: 336
Localisation: Dans une Savoie qui ne sera libre que quand j'en serais le maître...
Navigateur : n.c.

Hors ligne
Message Posté le: 24 juillet 2025 à 10:40  Lien permanent
Répondre en citant
@NeoAxle Si tu mets des 980 pro oubli pas de vérifier si tu as le bon pilote pour éviter que ton Nv2 s'use a vitesse grand V.
Voir le profil de l'utilisateur Envoyer un message privé
kalima @
Saisonnier
Saisonnier

51pts

Inscrit le: 23 juillet 2024
Messages: 5
Localisation: Hainaut (Belgique)
Navigateur : Edge

Hors ligne
Message Posté le: 24 juillet 2025 à 12:40  Lien permanent
Répondre en citant
SebastienD a écrit:
Intéressant, je vais suivre tout ça avec attention.

@Kalima, quelle est la date d'achat de ta carte ?


Date d'achat en aout 2023 , changement des pad fin 2024 , allez 18 mois pas 12 mois. ca reste une usure totalement WTF.

Le pc ne démarrais plus du tout. aucun QR code , juste une led clignotante sur la mobo ce qui m'a fait pensé à un court circuit et c'est comme ca que j'ai check les pad VRM et chipset pour tomber sur ca.
Voir le profil de l'utilisateur Envoyer un message privé
NeoAxle @
Cultivateur
Cultivateur

1141pts

Inscrit le: 17 mars 2023
Messages: 425

Navigateur : Firefox

Hors ligne
Message Posté le: 24 juillet 2025 à 12:59  Lien permanent
Répondre en citant
@Mick996 Non je ne suis pas sûr, je me basais sur les infos sur le site Gigabyte de la CM mais visiblement la version de la rev a été changée récemment. Tant mieux s'il y a une REV 1.1 et qu'on peut te la changer. 😁

Je suis un ssd Gen 5/4 (990) et le reste en Gen 3 oui. On verra bien écoutes...

Je t'avoues que j'espère que ça se passera bien pour toi, et que ça ne fasse pas comme moi quand j'ai mon renvoyé mon 7800x3D et la RAM à Materiel.net pour avoir la réponse : "tout fonctionne bien chez nous". 😅


AMD Ryzen 7 7800X3D Nvidia RTX 4070 Ti Super Aorus Master G.Skill Trident Z5 Neo RGB Black 6000 MT/s 2x32 Gb X670E Aorus Master Be Quiet Dark power 13 850W Titanium Corsair Icue Link H170i LCD 420 Mm AOC Agon AG325QZN G-Sync-Compatible HDR 400 240 Hz
Voir le profil de l'utilisateur Envoyer un message privé
SebastienD @
Cowcot Team
Cowcot Team

1126pts

Inscrit le: 04 août 2015
Messages: 355

Navigateur : n.c.

Hors ligne
Message Posté le: 24 juillet 2025 à 13:01  Lien permanent
Répondre en citant
kalima a écrit:
SebastienD a écrit:
Intéressant, je vais suivre tout ça avec attention.

@Kalima, quelle est la date d'achat de ta carte ?


Date d'achat en aout 2023 , changement des pad fin 2024 , allez 18 mois pas 12 mois. ca reste une usure totalement WTF.

Le pc ne démarrais plus du tout. aucun QR code , juste une led clignotante sur la mobo ce qui m'a fait pensé à un court circuit et c'est comme ca que j'ai check les pad VRM et chipset pour tomber sur ca.


Bien vu.
Voir le profil de l'utilisateur Envoyer un message privé
Lebaveux @
Cultivateur
Cultivateur

1358pts

Inscrit le: 14 mars 2021
Messages: 336
Localisation: Dans une Savoie qui ne sera libre que quand j'en serais le maître...
Navigateur : n.c.

Hors ligne
Message Posté le: 24 juillet 2025 à 14:03  Lien permanent
Répondre en citant
C'est un peu hors sujet, mais voici le lien pour les problèmes des Samsung pro et pour la soluce.

https://www.pugetsystems.com/blog/2023/03/14/samsung-990-pro-critical-firmware-update/
Voir le profil de l'utilisateur Envoyer un message privé
NeoAxle @
Cultivateur
Cultivateur

1141pts

Inscrit le: 17 mars 2023
Messages: 425

Navigateur : Firefox

Hors ligne
Message Posté le: 24 juillet 2025 à 14:11  Lien permanent
Répondre en citant
@Lebaveux Oui c'est prévu, je vérifie toujours les pilotes et les firmwares dès que je dispose de nouveaux SSD. 😉


AMD Ryzen 7 7800X3D Nvidia RTX 4070 Ti Super Aorus Master G.Skill Trident Z5 Neo RGB Black 6000 MT/s 2x32 Gb X670E Aorus Master Be Quiet Dark power 13 850W Titanium Corsair Icue Link H170i LCD 420 Mm AOC Agon AG325QZN G-Sync-Compatible HDR 400 240 Hz
Voir le profil de l'utilisateur Envoyer un message privé
Aller à la page : 12345678910  
Sauter vers: 
Surveiller les réponses de ce sujet CowcotLand topic RSS feed  

Vous ne pouvez pas poster de nouveaux sujets dans ce forum
Vous ne pouvez pas répondre aux sujets dans ce forum
Vous ne pouvez pas éditer vos messages dans ce forum
Vous ne pouvez pas supprimer vos messages dans ce forum
Vous ne pouvez pas voter dans les sondages de ce forum


Sujets similaires

Sujet Auteur Forum Réponses Posté le
Pas de nouveau message Carte mère Gigabyte X870E AORUS PRO X3D ICE : du très bon... SebastienD CPU, Cartes mères, RAM 0 14 novembre 2025 à 13:28
Pas de nouveau message [RETEX] Phanteks D25 Gen2 et Glacier One D25G2 CharlyLourson L'atelier 7 07 novembre 2025 à 14:41
Pas de nouveau message RETEX problèmes rencontrés PC Lolonini20 L'atelier 7 06 novembre 2025 à 14:08
Pas de nouveau message Cooler Master V4 Alpha 3DHP Black, une excellente surpris... Vanseb AirCooling 0 23 octobre 2025 à 08:41
Pas de nouveau message Cooler Master Masterframe 600 : Le retour du HAUT de GAMM... mantidor Boitiers/racks 0 10 juillet 2025 à 09:25